Ozonateur à faire soi-même
Pourquoi fabriquer un ozoniseur et qu'est-ce que c'est ? Commençons dans l'ordre. L'ozone est l'une des variantes de l'existence de l'oxygène dans la nature, constituée d'une combinaison de trois atomes. Dans des conditions normales, il apparaît comme un gaz bleu. Il a été découvert par le physicien néerlandais M. van Marum en 1785 à la suite d'expériences sur le passage d'étincelles électriques dans l'air. Le terme « ozone » (grec : odeur) a été proposé en 1840 par le chimiste allemand H. F. Schönbein.
Les propriétés de l'ozone sont telles que lors de sa décomposition, un grand nombre de molécules d'oxygène actif sont libérées, qui ont un effet néfaste sur les agents pathogènes, les champignons et les virus, favorisant ainsi la cicatrisation rapide des plaies. Pour créer de l'ozone à l'intérieur, des appareils électroménagers - les ozoniseurs - ont été développés.
Lorsque vous assemblez un ozoniseur de vos propres mains, vous devez vous rappeler que l'ozone est produit de trois manières :
- En cas de passage par l'oxygène O2 une décharge électrique puissante est la méthode la plus simple et la plus courante.
- En cas d'irradiation de l'O2 avec un puissant rayonnement ultraviolet.
- Du fait de la synthèse en présence de catalyseurs, c'est la méthode la moins courante en raison du coût élevé des réactifs chimiques.
Le contenu de l'article
- Schéma de fabrication d'un appareil fait maison
- Recommandations utiles sur la façon de fabriquer un ozonateur correctement et rapidement
- Précautions de sécurité lors de la fabrication d'un ozoniseur pour votre maison de vos propres mains
- Quelle est la différence entre un ozoniseur fabriqué en milieu industriel et un appareil fabriqué maison ?
- Avantages et inconvénients des ozoniseurs domestiques faits maison
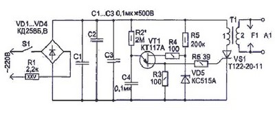
Schéma de fabrication d'un appareil fait maison
Sur le schéma
| Nom | Dénomination | Quantité | Note |
| Transistor bipolaire VT1 | KT805AM | 1 | |
| Transistor bipolaire VT2 | KT361A | 1 | Dénomination avec n'importe quelle lettre |
| Résistance R1 | 100 ohms | 1 | 1 à 2 W |
| Résistance R2 | 56 kOhms | 1 | |
| Résistance R3 | 1 kOhm | 1 | |
| Résistance R4 | 260 ohms | 1 | |
| Résistance R5 | 100 Mohms | 1 | |
| Transformateur T1 | TVS110PTs16(TVS110PTs15) | 1 | De la télévision |
| У1 Multiplicateur de tension | ONU9/27–1.3 | 1 | De la télévision |
| Multiplicateur de tension (à monter soi-même) | |||
| Diodes VD2-VD5 | KTs105G(7GE350AF) | 4 | Avec par ex. jusqu'à 8kV |
| Condensateur C2 – C4 | 320 pF | 4 | Avec par ex. jusqu'à 20 kV |
Outils et matériaux nécessaires pour créer un ozoniseur domestique
Les outils dont vous pourriez avoir besoin sont un fer à souder avec de l'étain et de la soudure, des pinces, une perceuse avec une mèche fine, de petits outils comme un couteau et une pince à épiler.
En plus d'une prise de courant 220 V, vous aurez besoin de :
- convertisseur de tension, il existe de nombreux circuits à monter soi-même sur Internet, vous pouvez choisir celui que vous voulez ;
- bobine inductive;
- un émetteur à travers lequel l'ozone sera créé ;
- boîtier, afin que l'émetteur ressemble à un appareil à part entière, et également pour qu'il ne rentre pas dans votre main ou dans toute autre partie du corps dans laquelle vous ne devriez pas entrer.
Tous les composants répertoriés peuvent être assemblés de vos propres mains si vous le souhaitez, si vous avez des compétences en ingénierie radio.
Si vous ne voulez pas vous embêter avec le convertisseur, un variateur fabriqué en usine fera l'affaire.Une bobine d'allumage d'un Zhiguli ou d'un Zaporozhets convient comme bobine inductive, elle n'aura besoin d'être équipée que de deux condensateurs d'une capacité de 2 μF pour 630 volts.
L'émetteur aura besoin des pièces suivantes :
- deux plaques getinaks de dimensions 100X100X3 mm ;
- quatre bandes getinax de dimensions 100X10X4 mm ;
- deux plaques d'aluminium 80X80X1 mm ;
- verre 80X80X2 mm.
Les plaques servent de plans extérieurs. Dans la partie centrale se trouve du verre sur lequel se trouvent des bandes isolantes des deux côtés. Au-dessus d'eux se trouvent des plaques d'aluminium avec des bornes. Le résultat est une conception avec un espace entre les plaques, où de l'ozone sera créé en raison de la décharge corona. Lors du montage, le contact entre les plaques d'aluminium doit être évité.
Vous aurez également besoin de fils haute tension et d’isolateurs. Le boîtier est assemblé à partir de matériaux disponibles ou acheté dans une taille appropriée après un test réussi de l'appareil.
Séquençage
Avant de commencer à utiliser l'appareil assemblé, vous devez vous assurer qu'il fonctionne correctement. Premièrement, un appareil en état de marche produit le son caractéristique d'un transformateur en état de marche, un crépitement. Deuxièmement, pendant le fonctionnement, une légère lueur bleuâtre devrait apparaître dans l'espace de l'émetteur. Et troisièmement, il devrait y avoir une odeur caractéristique d'ozone dans l'air.
Pendant le fonctionnement :
- Lors du traitement de l'air dans la pièce, l'appareil est allumé pendant 20 à 30 minutes et vous devez quitter la pièce.
- Au retour, l'appareil est immédiatement mis hors tension et la pièce est aérée.
- Il est interdit d'utiliser l'ozoniseur dans des pièces humides ou contenant de grandes quantités de poussières conductrices.
Important! Il est nécessaire d'empêcher les enfants d'accéder à l'ozoniseur.
Recommandations utiles sur la façon de fabriquer un ozonateur correctement et rapidement
Si vous n'avez aucune expérience en tant qu'électricien ou technicien radio, la recommandation la plus utile serait de vous rendre dans une quincaillerie et d'acheter un ozoniseur assemblé en usine. Si tout n'est pas si mal avec les compétences, alors avant d'assembler l'unité, vous devez vous familiariser avec la conception des appareils prêts à l'emploi et prendre un schéma de travail prêt à l'emploi au lieu de réinventer la roue. Un ozoniseur est un appareil à haut risque, il vaut donc mieux apprendre des erreurs des autres que des siennes. Le temps passé à se familiariser avec des appareils prêts à l'emploi et fonctionnels sera plus que payant.
Nuances importantes de l'assemblage d'un ozoniseur domestique fait maison
Le point le plus important est l'assemblage de l'émetteur. Il est nécessaire de sélectionner correctement les matériaux isolants et de s'assurer également que les plaques d'aluminium de l'émetteur ne se touchent pas, sinon un court-circuit pourrait se produire avec les conséquences qui en découlent.
Il est obligatoire que l'appareil fini soit monté dans un boîtier durable et non conducteur d'électricité. La question ici n'est plus d'esthétique, mais de sécurité d'utilisation de l'ozoniseur.
Une nuance importante concerne les qualifications de la personne qui collecte l'ozoniseur. Il est fortement déconseillé d'assembler de tels appareils électriques par un amateur, sinon les choses pourraient ne pas améliorer la qualité de l'air - la personne qui les a assemblés devra retrouver la santé.
Règles d'installation des appareils
L'installation s'effectue dans l'ordre suivant :
- alimentation secteur ;
- convertisseur de tension avec condensateur en sortie ;
- enroulement de bobine basse tension ;
- L'alimentation est fournie via des fils haute tension au deuxième condensateur, puis à l'émetteur.
L'air est fourni avec force à un radiateur installé verticalement au moyen d'un ventilateur.
Précautions de sécurité lors de la fabrication d'un ozoniseur pour votre maison de vos propres mains
Comme déjà décrit ci-dessus, le montage doit être effectué par un spécialiste qualifié, idéalement un électricien du 4ème groupe d'agrément. Les exigences générales de sécurité ne doivent pas être négligées :
- N'assemblez pas l'appareil et n'installez pas d'éléments individuels lorsque l'alimentation est allumée.
- N'utilisez pas d'outils électriques défectueux ou non isolés.
- Évitez tout contact avec des surfaces humides et des éléments de l'ozoniseur en même temps.
- Utilisez des outils électriques standards.
- N'utilisez pas de soi-disant « bugs » comme fusibles, c'est-à-dire des fusibles faits maison non standard.
- Assurez-vous que la prise et le câblage électrique sont en bon état de fonctionnement et fiables.
Quelle est la différence entre un ozoniseur fabriqué en milieu industriel et un appareil fabriqué maison ?
Les différences entre les appareils artisanaux et industriels sont différentes pour chaque cas spécifique. Il convient de commencer par le fait qu’un ozoniseur assemblé en usine est fabriqué selon une conception spécifique et testée et répond à un certain nombre d’exigences en matière de sécurité de fonctionnement. Il possède également les paramètres indiqués - consommation d'énergie, performances, et est équipé d'un mode d'emploi clair et dispose d'une période de garantie. Cependant, son prix peut être plusieurs fois supérieur au coût des éléments utilisés dans un appareil fait maison. Et il est loin d'être un fait qu'un appareil d'usine soit supérieur en termes de performances et de fiabilité à un appareil fait maison.
Avantages et inconvénients des ozoniseurs domestiques faits maison
Le plus grand avantage de la fabrication d'un appareil fait maison est son faible coût par rapport à son homologue d'usine.Parfois, la différence de prix peut même ne pas être plusieurs fois, mais plusieurs dizaines de fois. De plus, avec la bonne approche, vous pouvez assembler un appareil économique en termes de consommation d'énergie, sûr à utiliser et productif. Le troisième plus est la liberté totale en termes de design. Vous pouvez assembler un appareil original, élégant et productif, unique en son genre.
Inconvénients - pour assembler vous-même de tels appareils, vous avez besoin d'une richesse d'expérience et de connaissances théoriques. Il n'y a pas de paramètres déclarés, tout est souvent sélectionné expérimentalement. Il n'y a pas de garantie d'usine ni de mode d'emploi - les nuances du fonctionnement de l'appareil sont également testées dans la pratique.


