Raccordement du thermostat à la chaudière
La source de chaleur la plus courante dans une maison privée moderne (si l'on ne tient pas compte des adeptes des traditions et des romantiques qui préfèrent un poêle ou une cheminée russe) est une chaudière. La plupart des chaudières modernes sont alimentées à l’électricité ou utilisent du gaz ; les modèles à combustible solide et autres sont moins populaires.
Le contenu de l'article
Raccordement du thermostat à la chaudière
Une chaudière de chauffage ordinaire, relativement parlant, dans la configuration de base, fonctionne en mode manuel. L'appareil de chauffage dispose d'un régulateur de température qui reste inchangé jusqu'à la commutation. L'appareil lui-même ne réagit en aucune façon aux changements de température ambiante. Si pendant la journée, étant dans la maison, il ne semble pas être un gros problème d'approcher et de tourner le bouton n'est pas difficile, alors une soudaine vague de froid la nuit, ainsi qu'une baisse de température pendant l'absence du propriétaire, peuvent tourner s'avère être une mauvaise surprise.
Un thermostat permet d'éviter de tels problèmes. Il s'agit d'un appareil capable de surveiller automatiquement la température ambiante et de la maintenir à un niveau donné. La solution la plus simple consiste à acheter un thermostat complet avec la chaudière. Les fabricants proposent souvent de tels kits, leur avantage est l'absence de difficultés de connexion. Mais que faire s'il était décidé de raccorder un nouveau thermostat à une chaudière existante ?
Comment bien connecter le thermostat à la chaudière
Vous devez décider du type d'appareil. Il peut être mécanique ou électronique - généralement pour les chaudières à gaz et électriques, respectivement.
Diagramme de connexion
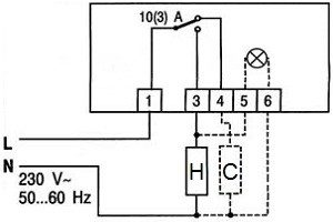
- Un thermostat mécanique ne nécessite pas de connexion à une alimentation électrique - son principe de fonctionnement est basé sur la connexion et la déconnexion des circuits électriques. Le moment de commutation détermine la valeur de température sélectionnée. Le processus est contrôlé par le mouvement d'une membrane qui réagit à la chaleur. Le schéma général de connexion ressemblera à ceci :

Important! Pour éviter que l'installation de l'appareil ne devienne un casse-tête fascinant dans une pièce qui se refroidit lentement, vous devriez trouver des instructions pour connecter un modèle de thermostat spécifique - dans les instructions correspondantes, au dos de la couverture ou sur des ressources thématiques.
- Un thermostat électronique est plus précis - les changements de température sont surveillés par un capteur dont la précision est bien supérieure à celle des appareils mécaniques. De plus, même les modèles bon marché disposent d'un ensemble étendu de fonctions, par exemple reliant un régime de température spécifique à l'heure de la journée. Du fait que l'appareil est connecté au réseau général, un câble à deux fils est utilisé. Un schéma approximatif est le suivant :

Important! La fiche technique correcte d'une chaudière de chauffage contient généralement toutes les informations nécessaires sur le raccordement d'équipements supplémentaires, sous la forme d'instructions étape par étape et de schémas visuels. La familiarisation peut rendre la tâche beaucoup plus facile.
Configuration du thermostat après connexion
Après une connexion réussie, il ne reste plus qu'à configurer l'appareil. Sur les modèles avancés, il existe un programmateur avec lequel les réglages sont effectués. Peut être ajusté:
- température de chauffage et de refroidissement (climatisation);
- réponse retardée du capteur aux changements de température (utile pour la ventilation et les courants d'air fréquents);
- sensibilité de l'appareil ;
- régler deux modes de température ou plus.
La possibilité d'affiner les valeurs des conditions de température optimales et économiques n'est pas la moins importante. Un appareil qui passe automatiquement en mode économique (abaissement de la température à un seuil possible prédéterminé) économise de l'électricité - en grande quantité. Certains modèles présentent de grandes différences de consommation d'énergie, même avec une différence de valeurs minime.
Connecter un thermostat avec un thermostat
De nombreux modèles de thermostats modernes sont constitués d'un ensemble composé d'une unité de commande et d'un thermostat. Le thermostat est un appareil permettant de contrôler à distance un appareil de chauffage, situé dans n'importe quel endroit pratique. La sélection de température est transmise à la centrale connectée directement à la chaudière. Il ne devrait y avoir aucun problème avec la connexion d’un simple thermostat ; Que faut-il savoir pour installer un thermostat d'ambiance ?
La première étape consiste à choisir non pas l'appareil lui-même, mais l'emplacement de son installation. Il doit être situé :
- à une hauteur suffisante du sol - environ un mètre et demi. Il ne s'agit pas ici de commodité, mais de physique : les capteurs d'un thermostat bas capteront la chaleur du plancher chauffant et régleront une température basse ;
- à distance des sources possibles de chaleur, qu'il s'agisse de la lumière du soleil, de radiateurs ou de poêles. La logique est la même ;
- sur le mur intérieur d'une pièce où il y a suffisamment d'espace ouvert - et encore une fois pas pour des raisons de contrôle confortable de l'appareil. Pour un fonctionnement correct, l'appareil doit avoir accès au débit d'air - la circulation permet d'évaluer les changements de température et d'ajuster le fonctionnement de la chaudière.Un thermostat recouvert d'un rideau pour des raisons d'esthétique n'apportera pas le résultat escompté.

La méthode de connexion du thermostat à l’unité peut être filaire ou sans fil. Les premiers se distinguent par leur prix abordable et l'absence de problèmes de signal ; les sans fil sont plus chers, mais éliminent le besoin de poser un autre câble.
Important! Il vaut la peine de peser soigneusement la décision d’acheter un appareil filaire. Connecter un nouveau fil au fil des réparations effectuées peut vous faire changer d'avis au moment le plus inopportun.
L'avantage d'un appareil avec thermostat est sa fonctionnalité étendue. L'installation de modèles modernes en termes de coûts de main d'œuvre est tout à fait comparable à celle d'un thermostat classique, mais au final elle offre plus d'avantages :
- modes de température personnalisables ;
- interface claire avec affichage de la date et de l'heure ;
- nombre minimum de démarrages de chaudière ;
- l'étalonnage le plus précis du fonctionnement du capteur ;
- grande fiabilité.
L'essentiel est que le thermostat élimine le besoin de réguler manuellement le fonctionnement de la chaudière, vous permet de configurer l'appareil à distance et réduit considérablement le montant indiqué sur les factures pour payer l'électricité.
La bonne approche pour choisir un thermostat vous permettra d'oublier complètement le problème du chauffage de votre maison.

