Amplificateur de haut-parleur bricolage
Les amplificateurs de son en magasin sont chers et pas toujours de haute qualité. Par conséquent, il y a une envie de le faire soi-même. Cet article vous expliquera comment procéder.

Le contenu de l'article
Est-il possible de fabriquer un amplificateur de haut-parleur de ses propres mains ?
Il existe un grand nombre d’amplificateurs de haut-parleurs disponibles dans divers points de vente, mais tout passionné de radio peut en créer un sans trop d’effort. Fabriquer des amplificateurs de haut-parleurs à la main est beaucoup plus économique. Aucune connaissance particulière n'est requise pour le créer. Tout ce dont vous avez besoin est du désir et des connaissances pour l'assembler correctement, après avoir préalablement acheté le matériel nécessaire. Ci-dessous, nous examinerons des instructions détaillées pour assembler des amplificateurs faits maison.

Comment assembler un amplificateur stéréo pour haut-parleurs de vos propres mains 12V
Quiconque décide de créer un amplificateur pour enceintes s'intéresse principalement aux composants nécessaires à l'assemblage. De tels dispositifs fonctionnent à l'aide de microcircuits et de transistors, bien qu'il existe également des cas où des lampes sont utilisées.

Recommandations
Un amplificateur audio fabriqué à la main et basé sur des puces comme le TDA et autres chauffe très rapidement. Afin d'éviter la surchauffe, il est nécessaire d'installer des grilles de radiateur. Les tailles et types de réseaux dépendent du type de microcircuits et de la puissance de l'appareil à créer. Par conséquent, il est nécessaire de lui laisser d’abord de la place dans le boîtier.
Attention : la création manuelle d'un amplificateur doit être prise au sérieux pour éviter les courts-circuits et la panne des composants de l'appareil.
Ce dont vous aurez besoin pendant le processus
Pour commencer à fabriquer l'appareil, vous aurez besoin de :
- cadre;
- prise;
- Unité de puissance;
- ébrécher;
- le bouton de l'interrupteur;
- câblage;
- radiateur de refroidissement;
- des vis;
- adhésif thermofusible avec pâte thermique;
- fer à souder et colophane.
La perceuse est un extenseur. Il est nécessaire pour percer des trous dans le plastique ou le métal. C'est un outil très pratique et précis avec lequel vous pourrez facilement assembler le boîtier.- Microcircuits. Les microcircuits de type TDA nécessaires peuvent être facilement trouvés dans les rayons des magasins. Comme alternative, vous pouvez démonter l'ancien téléviseur et en retirer le microcircuit requis.
- Transistors. Les transistors sont pratiques en raison de leur faible consommation d'énergie et du fait qu'ils sont faciles à installer dans n'importe quel appareil. Ils transmettent parfaitement le son et n'ont pas besoin d'être ajustés.
- Les lampes. Peu de gens créent désormais des appareils basés sur des lampes. Mais néanmoins, ces appareils ont d'excellents paramètres sonores. De tels appareils présentent un grand nombre d'inconvénients : ils consomment beaucoup d'énergie, prennent beaucoup de place, sont plus lourds que les appareils conventionnels et coûtent cher.
Après avoir traité les composants nécessaires, vous pouvez commencer à assembler l'appareil.
Schémas et instructions de montage
Il existe de nombreux circuits pour assembler des amplificateurs. Ils dépendent principalement du caractère ancien ou numérique de l'équipement, de la taille et de la source d'alimentation de l'appareil. Les circuits sont assemblés sur un circuit imprimé, ce qui rendra l'appareil compact à terme. Vous devez également disposer d'un fer à souder pour l'assemblage.
Le circuit, développé par le Britannique John Linsley-Hood, est basé sur l'utilisation de quatre transistors sans recours à des microcircuits. Ce circuit vous permet de reproduire avec précision la forme du signal d'entrée, ce qui aboutit finalement à une amplification de haute qualité et à une onde sinusoïdale.
Référence. Le type de circuit le plus simple consiste à créer un amplificateur basé sur un microcircuit contenant des transistors et des condensateurs.
Seuls les professionnels peuvent créer leurs propres circuits. Pour les débutants, il existe le programme Sprint Layout, où vous pouvez visualiser les diagrammes et sélectionner celui dont vous avez besoin.

Amplificateur DIY pour autoradio
Il arrive que le son de la musique dans la voiture ne soit pas d'aussi bonne qualité que nous le souhaiterions. Pour ceux qui ne veulent pas dépenser beaucoup d’argent en amplificateurs, il existe la possibilité de monter l’amplificateur vous-même.
Pour mettre en œuvre une telle idée, la puce TDA8569Q est tout à fait adaptée. Il est très apprécié en raison de ses caractéristiques :
- la tension varie de six à 18 volts ;
- puissance d'entrée élevée;
- émet une fréquence de 20 à 20 000 Hz.
La première étape de l’assemblage consistera à dessiner le circuit imprimé. Ensuite, il est recommandé de traiter le panneau avec du chlorure ferrique. Ensuite, vous devez souder tous les composants de la puce. Afin d'éviter les additifs de puissance, une épaisse couche de soudure est nécessaire. Aussi, il ne faut pas oublier de laisser de la place sur le carter pour la calandre, qui fait office de refroidissement.

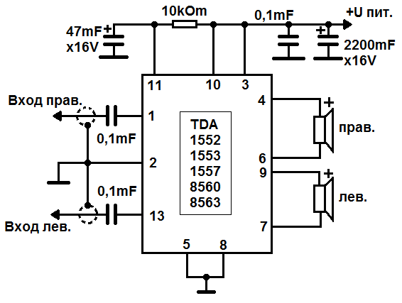
Amplificateur de haut-parleur d'ordinateur DIY pour les nuls
Lorsque nous regardons des films ou écoutons de la musique, la puissance des enceintes standards ne nous suffit souvent pas. Ci-dessous, nous décrirons en détail comment créer manuellement un amplificateur de haut-parleur. Lors de la création d'un amplificateur, vous devez prendre en compte la puissance des haut-parleurs externes, qui ne dépasse pas deux watts, et la résistance des enroulements, qui est égale à quatre ohms.
Pour assembler l'appareil, vous aurez besoin des composants suivants :
- circuit imprimé;
- Alimentation 9 volts ;
- Microcircuit série TDA ;
- cadre;
- les condensateurs suivants : deux non polaires 0,2 µF, polaires 100 µF, polaires 220 µF, polaires 470 µF ;
- résistance constante. 10 Kom m 4,7 Ohm ;
- bouton - interrupteur ;
- connecteur d'entrée.

Instructions de création
Le processus d'assemblage d'un amplificateur pour un ordinateur dépend directement du circuit que vous avez choisi. Il est seulement important de laisser de l'espace sur la carrosserie pour les grilles de radiateur. Ils sont importants car ils permettent à l’air de l’environnement extérieur de refroidir les copeaux.
- La première étape consistera à installer les composants radio sur le circuit imprimé en respectant la polarité.
- Nous assemblons le corps. Lors de l'assemblage du boîtier, vous devez prévoir de l'espace pour les grilles de radiateur et autres pièces supplémentaires. Vous pouvez créer le boîtier vous-même ou en acheter un tout fait. Vous pouvez également monter une carte dans le boîtier.
- Pour identifier les dysfonctionnements, vous devez allumer l'appareil en mode test.
- Assemblage de l'amplificateur. Pour ce faire, connectez-vous à l'alimentation électrique.
Assembler tout type d'amplificateurs de haut-parleurs à la maison est une tâche réalisable que tout radioamateur novice peut gérer. La simplicité réside dans le fait que pour commencer l'assemblage, il vous suffit d'acheter le matériel nécessaire à la soudure ultérieure. Il vous suffit ensuite de passer en revue tous les schémas possibles et disponibles, et de choisir celui qui vous convient. Le principal avantage est l’économie. Après tout, acheter un tel appareil dans un magasin coûtera beaucoup plus cher.

Je soutiens! J'ai emprunté un chemin légèrement différent : j'ai acheté une musique complète sur AVITO. Centre "Coing" avec entrée AUX linéaire (les CD ne filaient plus, les cassettes aussi, la radio fonctionnait très bien, tout comme les enceintes, puissance 45 W (RMS) par canal ! Pour seulement 1200 roubles.
bonjour, j'ai aussi Quince, seul le récepteur fonctionne, dis-moi comment tu as fait, j'ai peut-être une photo,


Pas besoin de s'inquiéter! On sait que dans le domaine de la consommation où il y a surproduction, les prix baissent considérablement. Alors voilà. Un amplificateur de voiture très décent peut être acheté à partir de 1 000 roubles. Avec de bonnes caractéristiques en termes de puissance, de réponse en fréquence et de rapport signal/bruit. Et nous y attachons une alimentation informatique. Comment faire cela est sur YouTube. L'assemblage ne prendra pas plus de 15 minutes. J'ai exactement le même montage, ça coûte 1600.