Comment faire un crossover pour haut-parleurs de vos propres mains
Un croisement est nécessaire pour séparer les gammes de fréquences dans les haut-parleurs. Vous pouvez fabriquer l'appareil vous-même si vous connaissez les secrets de sa création.
Le contenu de l'article
Crossover de haut-parleurs DIY
Il y a deux avantages à créer soi-même un crossover :
- Vous pouvez économiser de l'argent. Vous n'avez pas besoin de dépenser de l'argent pour acheter un appareil.
- Processus de collecte intéressant. Cela vous permettra de comprendre le fonctionnement de l'appareil et d'effectuer vous-même le processus de réparation en cas de panne (après tout, vous acquerrez les connaissances nécessaires lors du processus d'assemblage).

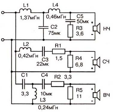
Circuit de croisement
Nous vérifions d’abord les paramètres des enceintes. Il est nécessaire de vérifier soigneusement la fréquence à laquelle ils fonctionnent et le niveau de leur sensibilité. L'étape suivante consiste à sélectionner un circuit électrique pour connecter le crossover.
Conseil! Les experts conseillent de se concentrer sur les filtres de second ordre, car dans les petits intérieurs de voitures, les paramètres de fréquence augmentent.

Si vous connectez les tweeters via un filtre de premier ordre, le sifflement augmente et les woofers transmettent des sons plus brillants. Ainsi, ensemble, ils forment une confusion de leurs sons incompréhensibles. Mais le large intérieur de la voiture peut réduire cet inconvénient.
Inducteur
Il faut les blesser. Si nous choisissons un woofer, nous devons utiliser du fil de cuivre de 0,1 cm d'épaisseur et recouvert d'une couche spéciale d'isolation.Lors du processus d'enroulement du fil, vous devez faire des tours et les fixer avec de la colle.
Des noyaux de ferrite doivent être utilisés pour créer la bobine. Ils permettent de réduire le poids et les dimensions de la structure, et de réduire les coûts de câblage (c'est assez cher). Cela augmente également la résistance ouverte de la bobine.

Nous obtenons une inductance qui peut être contrôlée avec un appareil de mesure spécial.
Comment faire un PCB
Vous devez maintenant appliquer le tableau sur papier. Cela se fait en s'éloignant des dimensions de la résistance et des bobines que nous avons enroulées à l'étape précédente. Après avoir créé les dessins, la planche est transférée sur un matériau spécial (par exemple, une feuille de fibre de verre).

Vous devez maintenant percer des trous pour connecter les fils et les pièces. Nous gravons également le tableau. Pour ce faire, une solution à base de chlorure ferrique est placée dans le produit semi-fini.
Assemblage et connexion du crossover : étape par étape
Pour assembler et connecter, procédez comme suit :
- Les inducteurs doivent être collés à la carte. N'oubliez pas le condensateur. Pour cela, nous utilisons une bonne colle. Ceci est important car ces pièces tombent souvent à cause des secousses et des vibrations.
- Vous devez maintenant connecter les fils des haut-parleurs. Pour ce faire, utilisez un fer à souder standard. Faites attention à la polarité et ne mélangez pas les entrées des enceintes LF et HF.
- Nous fixons les fils soudés avec de la colle. Ils sont également souvent endommagés par les secousses et les vibrations.
- Vous pouvez maintenant connecter l'appareil. Tout d’abord, nous effectuons un test de connexion pour nous assurer que le signal peut être transmis aux haut-parleurs.
- Si nécessaire, allumez la résistance.
- Vous pouvez utiliser l'appareil.

Attention! La sensibilité des tweeters est supérieure à celle des woofers.
Grâce aux instructions présentées, vous pouvez réaliser un crossover sans aucun problème.Il est très important de choisir les bons matériaux pour l'appareil et de les installer.
Ou ca:
Conseil! Les experts conseillent de se concentrer sur les filtres de second ordre, car dans les petits intérieurs de voitures, les paramètres de fréquence augmentent.
Comment l'ordre du crossover et la réponse en fréquence de l'intérieur de la voiture sont-ils connectés ?))))))))))))))))))))
La fréquence a toujours été l'un des paramètres du signal (au même titre que l'amplitude, la phase, etc.), et quels paramètres la fréquence peut-elle avoir ?)))))))))))))))))))))) ) )
Si possible, l'acoustique doit avoir la fréquence linéaire maximale dans toute la plage audio (en fait, comme tout le chemin d'amplification) ; pour d'autres corrections, il existe des modules appropriés qui compensent certaines pertes dans la réponse en fréquence et l'influence des propriétés de résonance des locaux (correcteurs pour vinyles, égaliseurs, etc. ). Malheureusement, comprendre et expliquer les bases est loin d’être la vérité. La répartition selon la puissance et la sensibilité des enceintes n'est pas prise en compte selon ce principe, mais selon la structure physiologique de l'aide auditive (l'oreille humaine et la perception des fréquences) cela n'a plus été évoqué depuis longtemps , mais c'est ainsi. Une personne ne perçoit pas différentes fréquences de manière égale en volume. Veuillez ne pas induire en erreur lorsque vous rédigez de tels articles et comprendre le processus. Le circuit du filtre fonctionne parfaitement - je l'ai assemblé plusieurs fois, mais les photos ont été prises depuis le plafond. Ce n’est pas la bonne façon de préparer du matériel pour la publication.


Avez-vous lu ce que vous écrivez (Nous gravons également le tableau. Pour ce faire, une solution est placée dans le produit semi-fini) c'est comme ??????