Robinet de salle de bain avec douche, comment ça marche
Chaque salle de bain moderne est équipée de sanitaires différents. Une place particulière y est occupée par une baignoire ou une douche. Pour une fonctionnalité complète, ils sont équipés d'un mélangeur. Il est conçu pour donner à l’eau une température confortable. De plus, il remplit la fonction de commuter l'alimentation en eau du robinet à la pomme de douche.
Mais, comme tout autre produit, le mixeur n'est pas à l'abri des pannes. Par conséquent, vous devez connaître sa structure afin que, si nécessaire, des réparations puissent être effectuées sans l'intervention de spécialistes.
Le contenu de l'article
Qu'est-ce qu'un robinet de salle de bain et à quoi sert-il ?
Dans la plupart des pays, l'eau chaude et l'eau froide sont fournies séparément. Avec cette option, pour obtenir une eau à une température confortable, il faudrait d’abord remplir la baignoire d’eau chaude puis la diluer avec de l’eau froide. Mais ce n’est pas seulement gênant, mais aussi peu économique. Par conséquent, un appareil spécial a été inventé - un mélangeur. Ses fonctions sont les suivantes :
- Donner à l'eau une température confortable. L'appareil mélange le froid et le chaud et l'eau à la température souhaitée est fournie par le robinet. Cela permet d'économiser du temps et de l'argent.
- Formation d'un jet d'eau. L'eau est fournie sous pression. Cela permet d’éviter les éclaboussures qui tomberaient sur les murs et le sol de la pièce.
- Rediriger l'eau du robinet vers la pomme de douche. Une fonction supplémentaire qui rend l'utilisation du mélangeur plus pratique consiste à commuter l'alimentation en eau du robinet à la douche et inversement.

Référence. Dans certains pays européens, les robinets ne sont pas utilisés. Par exemple, les habitants de Foggy Albion, pour obtenir de l'eau à une température confortable, doivent allumer l'eau froide et l'eau chaude séparément.
Quels types de robinets de salle de bain existe-t-il, caractéristiques de leur conception
Bien entendu, une baignoire est le produit sanitaire le plus confortable, permettant non seulement de se laver, mais aussi de se détendre complètement. Après tout, comme il est parfois agréable de se tremper dans de l'eau tiède et aromatique après une dure journée.
Mais il y a des situations où il n'y a pas assez de temps pour cela. Une douche vient à la rescousse. De plus, la cabine de douche est devenue une alternative à part entière au bain dans les pièces de petite surface. Chaque douche est équipée d'un mitigeur. Dans le même temps, il existe plusieurs modèles qui diffèrent les uns des autres selon leur conception.
Les options suivantes sont disponibles à la vente :
- Soupape. L'une des options de mixage les plus courantes. La régulation de la puissance d'écoulement et de la température de l'eau s'effectue à l'aide de vannes. À l’intérieur de la structure se trouve une petite chambre dans laquelle de l’eau de différentes températures est mélangée. Cela est peut-être dû à la présence d'une boîte d'essieu de grue. La popularité de ce type est due à la fiabilité de la conception et à la facilité d'utilisation. Les inconvénients incluent le fait qu'il est assez difficile d'ajuster avec précision la température requise.

- Levier unique. Il s'agit d'une version plus moderne de l'appareil de plomberie. La conception suppose la présence d'un « agneau ». Pour régler la puissance du débit et la température requise, il faut le tourner dans la direction souhaitée.Si vous le déplacez dans un plan vertical, l'intensité du débit sera ajustée, si dans un plan horizontal, la température de l'eau sera ajustée. Le mélange s'effectue à l'aide d'un mécanisme à bille ou d'une petite cartouche en céramique située à l'intérieur de la structure.

- Sensoriel. Le modèle le plus moderne. La photocellule intégrée se charge de l'allumer et de l'éteindre. Malgré la commodité de la conception, elle présente un inconvénient important : en cas de panne, vous devrez faire appel aux services d'un plombier professionnel.

- Thermostatique. Le mélangeur est capable de maintenir la température de l'eau requise. Vous ne devez effectuer les réglages de mode nécessaires qu'une seule fois. Ceci est réalisé grâce à un élément thermostatique installé à l’intérieur de la structure. L'appareil réagit avec sensibilité même aux petites variations de température et, si nécessaire, rétablit le niveau de chauffage souhaité. Les régulateurs peuvent avoir l’apparence de poignées ou être stylisés comme des « agneaux » familiers. Sur le marché, vous pouvez trouver des modèles à commandes tactiles, équipés d'un petit écran LCD. L'écran affichera des informations sur la température et, sur certains modèles, des données sur la puissance de débit.

Types de mitigeurs de douche
Comme tout autre produit, le mixeur n’est pas à l’abri des pannes. Le commutateur échoue souvent. Vous devez donc connaître sa structure. Il existe quatre types de commutateurs au total :
- Bobine L'une des options de commutation les plus anciennes. La principale caractéristique de la conception est la présence d'une poignée en plastique ou en métal située entre les "ailes".

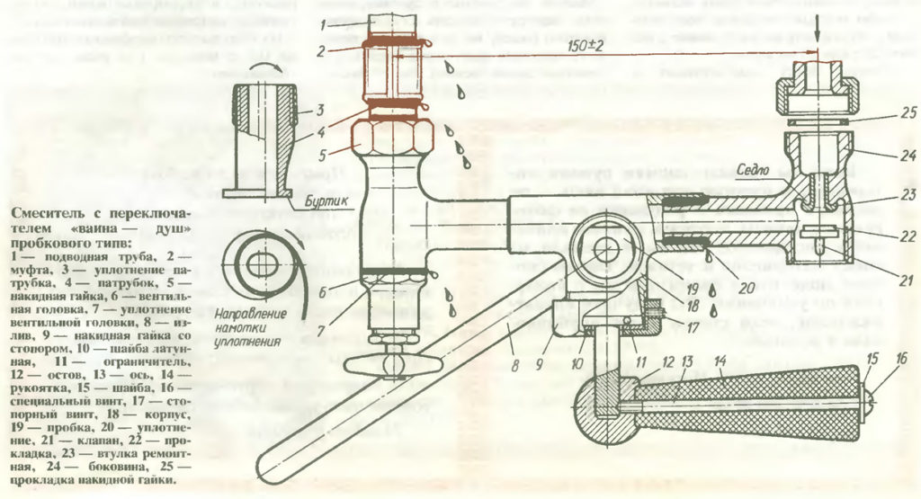
- Subérique. Bien que de tels interrupteurs aient déjà été abandonnés, on les trouve dans certains appartements situés dans des immeubles plus anciens. Entre les valves se trouve un levier rotatif massif. La principale caractéristique est la présence d'un bouchon massif en laiton. Il remplit la fonction de rediriger le flux du robinet vers la pomme de douche.

- Bouton. La principale caractéristique distinctive est un bouton avec une valve située sur une longue goupille. Pour couper l'arrivée d'eau, appuyez sur le bouton. Le processus inverse est effectué par un ressort.

- Cartouche. L'option la plus courante. L'élément principal est une cartouche équipée de bagues d'étanchéité en téflon. Le principe de fonctionnement est similaire à celui d'une boîte d'essieu de grue habituelle. Il est assez facile de déterminer qu'il s'agit d'une version à cartouche : le levier du mélangeur fait un tour complet.

Connaissant les caractéristiques de conception du mélangeur, si nécessaire, vous pouvez le réparer vous-même. Mais pour que le mélangeur vous serve pendant de nombreuses années, n'oubliez pas : vous devez le nettoyer régulièrement de la saleté accumulée et changer les joints à temps.

