Amplificateur d'antenne TV DIY
Notre pays passe complètement à la télévision numérique, abandonnant le signal analogique obsolète. Cela signifie que presque chaque foyer est désormais connecté à une antenne spéciale qui transmet les informations pertinentes au récepteur TV. Mais que faire si votre maison est située à une distance considérable d'une tour de télévision et que vous devez souvent faire face à des interférences ?
Les professionnels vous conseilleront d'acheter un amplificateur d'antenne. Pour ce faire, vous devrez vous rendre dans un magasin spécialisé et payer une somme considérable. Mais il existe une autre solution : fabriquer l’amplificateur soi-même. Pour ce faire, vous n'avez pas besoin de compétences particulières ni d'une grande quantité de matériel supplémentaire. Vous découvrirez ce qui doit être fait dans cet article.
Le contenu de l'article
Caractéristiques de l'amplificateur d'antenne
Le but de l'amplificateur est de rendre l'antenne « active ». Examinons de plus près ce concept.
Il existe deux types d'antennes de télévision :
- actif;
- passif.
Ils diffèrent les uns des autres en ce que les appareils passifs reçoivent un signal uniquement en raison de leur forme, tandis que les versions actives contiennent également d'autres éléments actifs. En ajoutant un amplificateur à l'antenne, vous la rendrez active, ce qui améliorera considérablement le signal et obtiendra une image et un son de haute qualité sur le récepteur TV.
Avantages et inconvénients d'un amplificateur d'antenne TV
Comme tout appareil, un amplificateur présente non seulement des avantages, mais aussi des inconvénients. Il est important de se renseigner à l'avance et de décider si l'unité répond à vos besoins.
Les avantages comprennent :
- une amplification significative de tout signal, et donc une augmentation de la qualité de l'image ;
- niveau de bruit minimal, contrairement à de nombreux autres appareils ;
- large gamme de fréquences.
Mais il y a aussi quelques inconvénients :
- l'utilisation d'un tel appareil entraîne souvent une surcharge du signal - par conséquent, dans certains cas, il est nécessaire d'installer des régulateurs supplémentaires ;
- l'amplificateur est très sensible à l'influence des orages - la plupart des artisans préfèrent ne pas prendre de risques et installer des paratonnerres, mais il n'y a aucune garantie absolue qu'ils aideront ;
- une auto-excitation de l'amplificateur peut se produire ;
- Il y a une perte de signal à la sortie.
Amplificateur d'antenne TV DIY
La première étape consiste à préparer tout le matériel nécessaire. Ce:
- plaque d'aluminium;
- fil de cuivre;
- support;
- adaptateur;
- vis autotaraudeuses, écrous, boulons, rondelles;
- câble pour la télévision ;
- ceinture de tracteur en caoutchouc;
- ruban isolant;
- marteau, clé et autres outils.
IMPORTANT! Même si vous avez de l'expérience dans la fabrication de tels appareils, étudiez les instructions en détail avant de commencer à travailler. Il est important de comprendre dans quel ordre les actions doivent être effectuées, ainsi que la raison exacte pour laquelle chaque détail est nécessaire.
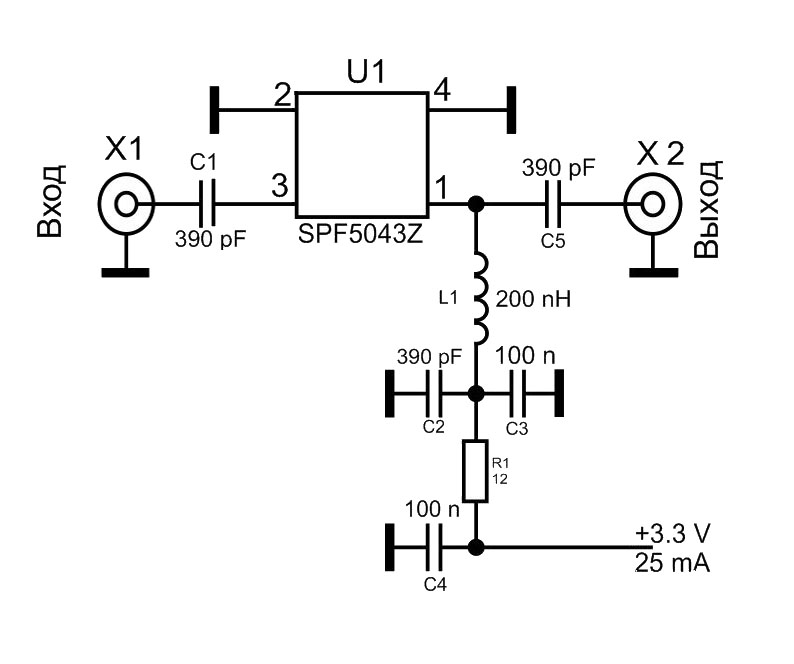
Avant de commencer les travaux, vous devez vous familiariser avec le schéma afin de mieux comprendre le principe de fonctionnement de l'appareil, ainsi que retrouver des photographies de produits finis.

La première étape consiste à percer des trous : trois dans le caoutchouc et un dans la plaque d'aluminium.Ensuite, un trou similaire est également réalisé dans le support et à l'endroit où sera située l'antenne. Le fil est plié puis connecté aux extrémités à l'aide d'une vis autotaraudeuse.
Ensuite, vous devez connecter un adaptateur au câble et isoler la connexion. Vous devez maintenant assembler toutes les pièces. La dernière étape consistera à isoler le point de fixation du câble et du fil à l'aide de ruban isolant.

Connexion amplificateur
Un autre avantage d'un amplificateur fabriqué soi-même est qu'il n'est pas nécessaire de configurer le produit fini. C'est assez simple de se connecter.
Connectez la carte à une antenne intérieure et vérifiez la qualité de l'amplification. Il ne doit y avoir aucun bruit inutile pendant le fonctionnement de l'appareil. L'amplificateur peut être stocké dans un étui spécial qui offrira une protection fiable contre toute influence environnementale.

La première fois après la connexion, surveillez la qualité de l'amplification du signal. Si vous remarquez des problèmes, il est préférable de les résoudre immédiatement.
IMPORTANT! N'oubliez pas que pour obtenir une bonne image et un bon son, il est important non seulement la présence d'un amplificateur, mais également l'emplacement de l'antenne. Soyez donc prudent lors du choix de l’emplacement de montage. N'oubliez pas la nécessité d'un paratonnerre.
Vous savez maintenant ce qu'est un amplificateur pour antenne de télévision, pourquoi il est nécessaire et comment le fabriquer vous-même. Avec un tel appareil, vous oublierez les interférences et autres problèmes liés à une mauvaise réception du signal.
La télévision est actuellement l'un des divertissements les plus populaires et les récepteurs de télévision ne sont plus seulement disponibles dans les appartements en ville, mais aussi dans les régions les plus reculées du pays, ainsi que dans les maisons de campagne.Avec le développement de la technologie moderne, la qualité ne fait que s'améliorer, vous n'avez donc pas besoin de renoncer au plaisir de regarder vos programmes préférés simplement parce que votre maison est située dans un endroit où la réception de la télévision est mauvaise.


Le circuit est très simple et intéressant, mais pourquoi ne pas décrire le but et quel rôle jouent les pièces, où se trouve l'accélérateur sur la planche à pain, il serait bien de connaître les caractéristiques du microcircuit et où l'acheter. Il semble que ce soient de petites choses, mais lorsqu'elles sont répétées, les débutants se posent beaucoup de questions. Merci de prendre en compte ces notes dans les prochaines publications.