Défauts de la machine à laver Electrolux, réparation à faire soi-même
Réparer les dysfonctionnements d'une machine à laver Electrolux de vos propres mains est possible si la panne n'est pas trop grave, et également si vous avez l'expérience appropriée. En règle générale, le système de vidange se bouche, le tambour tombe en panne ou l'appareil ne s'allume pas du tout. Des instructions de réparation pour les situations courantes peuvent être trouvées dans ce document.
Le contenu de l'article
Si la voiture ne démarre pas
Il arrive que l'appareil ne s'allume pas ou se fige et ne réponde pas aux commandes. Dans ce cas, la réparation à faire soi-même d'une machine à laver Electrolux s'effectue comme suit :
- Vous devez d'abord vérifier la fiche - à quel point elle est bien insérée dans la prise et si les contacts sont brûlés.

- Ensuite, vérifiez si la prise fonctionne.
- S'il y a eu récemment une panne (chute de tension dans le réseau), vous devez éteindre l'appareil et attendre quelques minutes, puis le rebrancher et démarrer le programme. Cela est souvent utile si des incidents similaires n’ont pas été observés auparavant.
- La cause peut être due à la pénétration d'eau ou de détergent sur le panneau de commande. De ce fait, les touches collent et les contacts sont endommagés. Dans ce cas, réparer une machine à laver à chargement par le haut Electrolux revient à éliminer complètement l'humidité. Si nécessaire, le panneau devra être démonté et les contacts oxydés remplacés.
Si cela ne résout pas le problème, recherchez la cause dans le filtre réseau.Ici se pose la question de savoir comment démonter la machine à laver Electrolux. La séquence d'actions est la suivante :
- Retirez le couvercle par le haut - pour ce faire, dévissez les boulons indiqués sur la photo.

- Trouvez un filtre situé près du mur. C'est peut-être la raison pour laquelle la machine à laver Electrolux ne s'allume pas.

- S'il y a des défauts sous forme de pièces roussies, brûlées et gonflées, la pièce doit impérativement être remplacée. Pour cela, débranchez le câblage, retirez les attaches et le plateau pour accéder aux clés.
- Derrière le panneau de commande se trouvent des boutons. Ils sont pressés de l'extérieur et retirés de l'intérieur, puis une nouvelle pièce est installée.

La porte est coincée
La réparation d'une machine à laver Electrolux défectueuse est également effectuée dans les cas où la porte ne peut pas se fermer hermétiquement. Pour cette raison, le lavage ne démarre pas et l’appareil ne fonctionne donc pas. Il faut comprendre que la porte est équipée d'une serrure mécanique et d'une serrure électronique. La panne peut être due à l'un ou à l'autre.
Si le lave-linge Electrolux ne démarre pas, vous devez procéder comme suit :
- Repliez le brassard en caoutchouc.
- Retirez la pince en la soulevant avec un tournevis.
- Retirez les deux vis.
- Accédez à l’intérieur et retirez le dispositif de verrouillage.

- Si le lave-linge Electrolux ne s'allume pas, vous devez débrancher les contacts.

- Installez un nouveau parasurtenseur, puis assemblez toutes les pièces dans l'ordre inverse.
L'eau ne rentre pas ou ne s'écoule pas
Très souvent, des dysfonctionnements de la machine à laver Electrolux sont associés à une mauvaise alimentation et évacuation de l'eau. Par exemple, le liquide peut ne pas s'écouler du tout, ou au cours d'un lavage, l'appareil le récupère et le vide plusieurs fois. Ensuite, le code d'erreur correspondant, en fonction du modèle spécifique, s'allumera sur l'écran.
Pour connaître la raison pour laquelle la machine à laver Electrolux ne fonctionne pas, et également pour l'éliminer, procédez comme suit :
- Fermez le robinet, coupez l'alimentation de l'appareil et débranchez le tuyau.

- Derrière celui-ci se trouve un filtre à mailles qui s'enlève à l'aide d'une pince.

- Ensuite, il doit être rincé sous une puissante pression d’eau pour éliminer tous les contaminants. Si nécessaire, supprimez manuellement les gros blocages et les corps étrangers. Il ne sera pas superflu de désinfecter la maille avec Domestos ou un autre produit.
- Le tuyau d'alimentation en eau est également nettoyé. Il peut également devenir très bouché et devenir la raison pour laquelle la machine à laver Electrolux ne s'allume pas.
- Retirez le couvercle supérieur et trouvez la vanne d'entrée sur la paroi arrière.

- Prenez un multimètre et vérifiez les contacts en mode mesure de résistance. Elle doit être comprise entre 2 et 4 ohms, sinon la pièce ne fonctionnera certainement pas.
- Ensuite, les fixations et le câblage sont retirés, après quoi une nouvelle vanne est installée.
Il existe également des cas de dysfonctionnement de la machine à laver à chargement par le haut Electrolux, à cause desquels elle s'est arrêtée et de l'eau est restée dans le réservoir. Ensuite, vous devez commencer à nettoyer le drain, en procédant comme ceci :
- Trouvez la porte sous la trappe de chargement.
- Ouvrez-le, placez la bassine.
- Dévissez la partie extérieure en plastique du filtre dans le sens inverse des aiguilles d'une montre.

- Retirez le filtre, retirez les débris et rincez sous une puissante pression d'eau.
- Dépliez l'appareil, retirez le couvercle à l'arrière et trouvez la pompe.

- Pour dépanner une machine à laver Electrolux, vous devrez retirer les vis situées sur le pourtour.
- Ensuite, desserrez les colliers qui fixent le tuyau et le tuyau. Toutes les pièces sont nettoyées.
- La deuxième extrémité du tuyau est également démontée et lavée sous pression d'eau.
- Inspectez la pompe et la turbine avec une attention particulière.Il est nettoyé des débris et des corps étrangers. Si le moteur grille, ce qui sera perceptible par l'odeur de brûlé et les marques caractéristiques, la pièce doit être remplacée.
Le tambour ne tourne pas
Lorsqu'une machine Electrolux ne s'allume pas, cela peut aussi être dû au fait que le tambour ne tourne pas. Les raisons peuvent être à la fois plus simples et assez graves :
- Vous devez retirer le panneau arrière et inspecter le tambour. Peut-être que la courroie est tombée de la poulie - elle est réinstallée de manière à ce que la tension soit maximale (comme une corde).

- Ensuite, inspectez le moteur. Peut-être que les balais sont usés - ils sont démontés et les contacts sont retirés. Si au moins un est usé à plus de la moitié, les deux doivent être remplacés. Dans ce cas, vous devrez démonter la machine à laver Electrolux.

- Il est également recommandé de s'assurer qu'il n'y a aucun corps étranger. Pour ce faire, retirez l'élément chauffant en retirant l'écrou et en le desserrant doucement d'un côté à l'autre. Ensuite, ils prennent une lampe de poche et la dirigent vers le trou laissé après l'élément chauffant. C'est là que peut être trouvé un corps étranger qui est retiré avec une pince à épiler.
- La raison pour laquelle la machine à laver Electrolux ne s'allume pas et que le tambour ne tourne pas peut être une panne du tachymètre. D'une part, vous devez vous assurer qu'il est correctement sécurisé et que les contacts sont intacts. Ensuite, l'appareil est testé avec un multimètre. Si la résistance ne se situe pas dans la plage 60-70 Ohm, la pièce doit être remplacée.

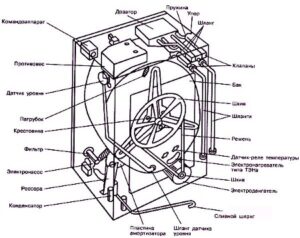
Ainsi, afin d'effectuer correctement les réparations, il est important de connaître la structure d'une machine à laver Electrolux à chargement vertical ou à chargement frontal régulier. Pour ce faire, vous pouvez utiliser le schéma présenté. Ensuite, vous devez déterminer avec précision la cause, puis effectuer les réparations. Si cela n'est pas possible, contactez un spécialiste.

