Comment fabriquer un four de fusion à partir d'une cuisinière à induction
Dans la vie de tous les jours, nous utilisons des appareils électroménagers et parfois nous ne pensons même pas aux principes de leur fonctionnement. Avec le développement du progrès technologique, de nouveaux développements et appareils prennent vie. L'un d'eux est une cuisinière à induction. Le principe de son fonctionnement repose sur la transformation séquentielle de l'énergie de l'énergie électrique en énergie électromagnétique, puis en énergie thermique. Pour le moment, il n’existe aucune option à haut rendement.
Les plaques à induction présentent de nombreuses fonctionnalités.
- Chauffage rapide avec une faible consommation d'énergie.
- La nourriture est obtenue sans fumée, sans odeur amère et sans microéléments nocifs.
- La cuisinière ne chauffe que les aliments contenus dans le plat, il est donc impossible de se brûler dessus.
Un avantage supplémentaire d'une cuisinière à induction est la possibilité d'utiliser ses qualités à d'autres fins, par exemple pour créer un four de fusion.
Le contenu de l'article
Transformation d'une cuisinière à induction en four de fusion

Si vous avez besoin d'une petite fonderie non pas à grande échelle, mais pour vos propres besoins avec un volume maximum de 1 litre, vous pouvez la fabriquer à partir d'une tuile de type induction.
En raison de ses avantages et de sa capacité à convertir les ondes électromagnétiques en énergie thermique, il est parfait à de telles fins.
Vous devrez apporter quelques modifications au design, ajouter quelques pièces, refaire la carrosserie et vous aurez ce dont vous avez besoin.
Ce modèle DIY sera très pratique à utiliser et permettra d'économiser de l'argent.
Important! Le processus de création d'un four de fusion nécessitera des connaissances et du temps, alors étudiez attentivement tous les principes fondamentaux théoriques et lisez les instructions. Si vous doutez de pouvoir tout réaliser, mieux vaut le confier à des professionnels.
Quelles pièces sont nécessaires pour un four à induction fait maison ?

Avant de commencer à fabriquer un four de fusion maison basé sur le principe de fonctionnement d'une cuisinière à induction, vous devrez rassembler les éléments nécessaires. Et si nécessaire, achetez les pièces manquantes.
Pour travailler, vous aurez besoin des éléments suivants.
- Plaque à induction.
- Tube en cuivre d'un diamètre de 8 mm et d'une longueur de 3 m.
- Condensateur.
- Changer.
- Lampe à incandescence pour le contrôle.
- Creuset.
Conseil. La qualité et la vitesse de fusion seront largement déterminées par la puissance du générateur, des lampes et la fréquence à laquelle la charge est effectuée.
Comment fabriquer un fondoir à induction à partir d'une cuisinière
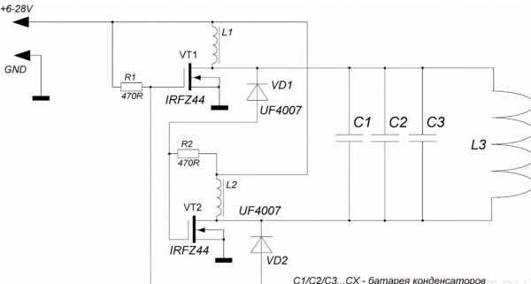
- Il est nécessaire de tordre un inducteur à partir d'un tuyau en cuivre qui va du plat (en bas) au cylindrique (en haut). Il s’agit d’une sorte de verre constitué de bobines de cuivre. Faites-en la taille dont vous avez besoin.
- Connectez toute la structure selon le schéma électrique. Utilisez un condensateur et une ampoule en parallèle dans un circuit.

- Pour commencer, allumez la cuisinière électrique, placez le métal dans le creuset situé à l'intérieur de l'inducteur et appuyez sur l'interrupteur de notre produit.
Cet appareil est le plus simple et le plus pratique à utiliser. Cela ne change pas le design de la tuile elle-même, donc tout le monde peut le faire.
Référence. La température est d'environ 1000 °C, ce qui est largement suffisant même pour faire fondre l'argent.
Conseils utiles pour fabriquer un four de fusion à partir d'une cuisinière à induction

Pour effectuer correctement le travail et obtenir le résultat dont vous avez besoin, nous vous donnerons quelques conseils utiles. Ils seront utiles lors de la fabrication d'équipements faits maison.
- Si vous avez besoin d'un tel four pour chauffer une pièce, utilisez du nichrome, le graphite en spirale convient à la fusion.
- Plus la fréquence et la puissance sont élevées, plus l'efficacité est grande. Mais l’essentiel ici est de ne pas en faire trop.
- Utilisez des ampoules puissantes dans le produit, mais pas plus de quatre dans une seule conception.
Bien entendu, en utilisant de telles instructions, il ne sera pas possible d'assembler un four à part entière pour la fusion des métaux. De telles conceptions ne sont tout simplement pas destinées à un tel travail, mais vous pouvez vous procurer un appareil pour des charges légères et un petit volume. C'est largement suffisant pour les besoins personnels. Si vous avez besoin de meilleurs résultats et d’une meilleure productivité, vous devriez absolument envisager d’acheter une fonderie de qualité.

